芯城品牌采购网 > 品牌资讯 > 全部资讯

据科创板日报报道,闪存控制芯片及解决方案提供商深圳宏芯宇电子股份有限公司(以下简称“宏芯宇电子“)已完成A+轮数亿元融资,该轮融资由昆桥资本领投,中新融创、国元创新投资跟投。所筹资金将重点用于新型存储产品的持续研发。今年年初,宏芯宇电子还完成了1.5亿元战略轮融资,所筹资金将重点用于存算一体架构的研发、加密与错误更正/深度学习的IP设计与研发、以及国产闪存生态系统与存储相关产品的拓展等。7月中旬,

芯城品牌采购网

7718

基于TC35T调制解调器和P87LPC767单片机实现短消息监控系统的设计-芯城品牌采购网

1引言近年来,随着移动通信事业的迅速发展,作为移动网的延伸和完善设备--直放站得到了迅速应用,直放站的位置常常处于偏僻的农村和山区,因此,维护很不方便,为了及时了解直放站的工作状态,开发了直放站监控系统。该系统的主要功能包括对直放站供电电源及射频输出功率等进行无线监控,以实现直放站系统无人值守时的故障告警以及控制等功能。直放站监控系统的基本原理是利用GSM无线蜂窝网络的广阔覆盖范围,借助于GSM网

芯城品牌采购网

9110

如何分析运放电路?-芯城品牌采购网

目前市场运放种类繁多,面对不同的使用条件和环境,是否都能选择一样的运放呢?没关系,这是很多电子工程师都会困惑的问题,接下来为你揭开运放选型的神秘面纱。一、该如何分析运放电路呢?在学习运放选型前,我们需要先来透测的学习运放电路的内部结构和原理,对于我们来说运算放大器是模拟电路中十分重要的元件,它能组成放大、加法、减法、转换等各种电路,我们可以运用运放的“虚短”和“虚断”来分析电路,然后应用欧姆定律等

芯城品牌采购网

7065

基于LPC2124芯片和GPRS网络实现终端系统程序的远程升级-芯城品牌采购网

引言用电现场监控终端是一种与多功能计量设备同步计量并全方位监控用电状况的智能化设备,在目前全国电力紧缺的情况下,起到了削峰填谷,提高电网运行效率的作用,尤其适合于对用电大户的用电监控。市场的需求和应用技术的成熟往往是矛盾的,用户总希望尽快用到功能完善、技术先进的产品,但从新技术到应用总有一个过程。这个过程的长短最大程度上决定了产品的市场前景,如果要好好把握市场,常常不得不一边开拓市场一边完善技术。

芯城品牌采购网

8872

浅谈6N139系列光耦合器的低电流输入电路-芯城品牌采购网

本文讨论了使用6N139系列光耦合器的低电流输入电路的想法。其中一些电路设计是信号检测,瞬态检测,矩阵和非负载线路接收。还介绍了6N139输出电路的示例以及计算方法。简介光耦合和LED技术的进步为我们提供了6N139。这种独特的光耦合器具有500µA的输入LED电流规格,打开了一些有趣的设计门。除了明显且广为人知的由CMOS电路直接驱动的能力外,6N139还可以考虑用于信号检测,瞬态检测,矩阵和非

芯城品牌采购网

8526

SSD营收下滑至52.2亿美元,估第四季再跌两成-芯城品牌采购网

据TrendForce集邦咨询研究显示,尽管服务器因物料供应改善,使整机出货有所提升,加上中国电信业者招标及ByteDance字节跳动需求,服务器ODM建设数据中心的进度并未受到明显影响。但整体EnterpriseSSD市场仍不敌NANDFlash跌价冲击,第三季营收下跌至52.2亿美元,环比下降28.7%。三星(Samsung)第三季EnterpriseSSD营收为21.2亿美元,市占率则由第二

芯城品牌采购网

6384

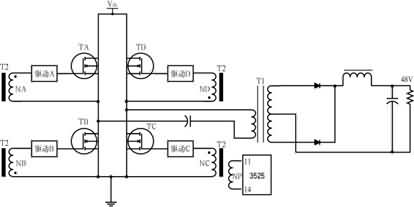
驱动变压器各绕组间的分布电容-芯城品牌采购网

实际电路都是由非理想元件组成的,在设计中可能会遇到许多预料不到的情况。在调试如图1所示的普通全桥电源时,输出不是料想中平稳的波形,而是不时发生间歇振荡,并发出“吱吱”声,有时甚至会烧毁开关管。对电路进行分析后未发现结构上可能导致不稳定的因素,于是改变输出采样的电压比,将输出调定在半电压24V上,使用90V的输入直流电压,在保证功率管安全的情况下进行调试。待电路工作正常后,再缓慢升高输入直流电压,经

芯城品牌采购网

8101

什么情况下应该从硅片转换到宽带隙技术?-芯城品牌采购网

自从宽带隙(WBG)器件诞生以来,为功率变换应用带来了一股令人激动的浪潮。但是,在什么情况下从硅片转换到宽带隙技术才有意义呢?迄今为止,屏蔽栅极MOSFET、超级结器件和IGBT等基于硅的功率器件已经很好地在业界得到大规模应用。这些器件在品质因数(FoM)方面不断改进,加上在拓扑架构和开关机理等方面的进步,使工程师能够实现更高的系统效率。工程师坚持继续使用硅片的最常见原因可能是在这方面拥有丰富的知

芯城品牌采购网

8380

基于MSP430F2012和IA4420的主动式RFID标签设计-芯城品牌采购网

射频识别(RFID)是近年来成长最快的无线技术之一,它将条形码及无线技术的优势带入资产管理、产品跟踪、海运及运输识别、库存控制和定位检测中。大多数RFID系统采用通过RF从阅读器获取电源的被动式标签。这样有利于减小标签尺寸和降低成本,但是会限制读取范围和数据存储能力。带电池的主动式标签可以提供较大范围的读取能力和更强的可靠性,不过其尺寸较大,也更贵一些。采用最新的低功耗单片机和无线数传芯片,设计一

芯城品牌采购网

6939

基于高性能ADC的都市基站设计方案-芯城品牌采购网

引言随着中国开始在人口密集的都市部署第三代(3G)无线业务,各种客观局限性驱使用户对高性能模数转换器(ADC)提出更多重要需求。高速ADC的应用多种多样,但低功耗是用户普遍要求的关键因素。要为用户的最终产品提供具有竞争性的优势,ADC需要在更低的功率和更小的尺寸基础上实现高分辨率、高速度和高性能。3G基础设施要求高速ADC在GSM、WCDMA和TD-SCDMA基站的接收(Rx)和发射(Tx)通路中

芯城品牌采购网

8283

基于MSP430F149和GPS+GPRS模块实现追踪器系统的软硬件设计-芯城品牌采购网

1、引言随着GPRS无线通讯、Internet网络以及民用领域GPS的普遍应用,将三者合一使用已成为当今热门的研究领域。GPRS(GeneralPackedRadioService,通用分组无线业务)采用TCP/IP协议,非常容易和现有的Internet技术及应用平台整合,即将各种IP技术和服务同移动通信技术相结合,为用户提供各种高速度、高质量的移动数据通信业务。GPRS的移动通信、价格低廉、快速

芯城品牌采购网

8247

关于MOSFET漏极驱动的ZCD(零电流检测)引脚-芯城品牌采购网

本应用笔记介绍了从MOSFET漏极驱动的ZCD(零电流检测)引脚。该文档描述了标准的ZCD配置及其替代和电阻器配置。CS1601采用ZCD(零电流检测)设计,当流过升压电感器的电流接近零时,该控制器便具有开启MOSFET的能力。这也可以描述为谷/零交叉切换。这是通过在PFC扼流圈上添加检测绕组来检测电流来实现的。如果由于设计或制造方面的限制而在升压电感器上添加辅助绕组成为问题,那么下面将介绍实现此

芯城品牌采购网

8661

基于霍尔效应传感器的电机速度控制方案-芯城品牌采购网

霍尔效应传感器响应于磁场而改变其输出电压。霍尔效应器件用作接近传感器,并用于定位,速度和电流检测。它们被广泛用于电机控制系统。霍尔效应传感器是一种长期解决方案,因为没有机械零件会随着时间的流逝而磨损。集成的软件包减少了系统的大小和实现的相对复杂性。借助可用于计算位置,速度和电流感测的多种技术解决方案,设计人员可以选择最佳选项来实现其目标。设计决策中的关键要素包括成本,分辨率,精度,可靠性和上市时间

芯城品牌采购网

8082

基于MSP430F169的多路电阻测量系统设计-芯城品牌采购网

0引言在实际工作中,对于多路电阻进行测量,一般采用直接测量法人工操作进行,虽然这种方法很成熟,但所用的配套设备较多,测量数据手工纪录、人工计算,操作繁琐、效率较低,事后的数据处理及出具测量报告既费时又费力,易出现人为因素造成的错判、漏判等,难以保证测量质量,影响了科研、实验生产任务的顺利进行。针对这些问题本文设计了一种基于MSP430单片机的电阻多路测量系统,系统采用2个MSP430F169单片机

芯城品牌采购网

8105

一种基于新SOC技术的简单8LED灯序设计-芯城品牌采购网

LED技术越来越多的应用到我们的生活中,对于开发者来说,通过片上系统(SOC)平台实现LED或其他设备次序器,从而找到一种减少成本、降低设计难度的设计需求变得越来越普遍。SOC器件通过单芯片集成了完整LED子系统所需的单片机功能和各种数字外围设备。本文介绍了一种基于新SOC技术的简单的8LED灯序。在这个设计中精彩的部分就是无需进行干预。不是采用传统的由单片机处理器干预的被动的数字外设,此设计完全

芯城品牌采购网

9860

存储器的发展取决于应用场景的变化,当下智能化时代的迅速发展对存储器提出了更高的要求,新型存储器迅速成长。目前新型存储器阻变存储器(ResistiveRandomAccessMemory,ReRAM或RRAM)逐渐受到市场重视。近日,英飞凌官方消息称,其下一代Aurix微控制器将使用嵌入式非易失性存储器,特别是电阻式随机存取存储器(RRAM),而不是嵌入式闪存(eFlash),并将在台积电的28纳米

芯城品牌采购网

9219

美国时间12月1日,全球第三大硅晶圆制造商环球晶圆(GlobalWafers)在美国德州谢尔曼市举行12英寸晶圆厂GlobalWafersAmerica动土典礼,这也是时隔20年后,美国迎来的首座硅晶圆厂。环球晶圆强调,美国德州新硅晶圆厂预计两年内可陆续完成新厂建造、设备安装、客户送样及量产。德州新硅晶圆厂占地58公顷,预计可为未来阶段式扩建提供充足的空间。根据此前的资料,环球晶圆新12英寸硅晶圆

芯城品牌采购网

8974

图解整流电路中二极管的工作原理-芯城品牌采购网

二极管整流是利用了它具有单向导电性,也就是电流只能从正极流向负极,而不能从负极流向正极。只有在二极管两端加正向电压并且大于一定值时,二极管才会导通,导通后二极管的电阻很小,相当于一根导线。而在二极管两端加反向电压时,二极管因为内部PN结的关系,反向电流很小,可以忽略不计,可以看做是截止状态。如下图,是一个利用二极管半波整流的电路。图中220V50HZ交流电经过变压器变压输出U2,U2也是一个正弦交

芯城品牌采购网

9701

12月1日,据报道,意法半导体和Soitec宣布下一阶段的碳化硅(SiC)衬底合作,意法半导体计划在未来18个月内对Soitec的SiC衬底技术进行认证。此次合作的目标是意法半导体在未来的8英寸衬底制造中采用Soitec的SmartSiC™技术,为其器件和模块制造业务提供动力,预计将在中期量产。“向8英寸SiC晶圆的过渡将为我们的汽车和工业客户带来巨大的优势,因为他们加速了向系统和产品电气化的过渡

芯城品牌采购网

7715

小米芯片布局再进一步!-芯城品牌采购网

据天眼查信息,近日,合肥辉羲智能科技有限公司(以下简称“辉羲智能”)发生工商变更,新增小米关联公司瀚星创业投资有限公司等为股东。图片来源:天眼查信息截图辉羲智能经营范围包括人工智能基础软件开发;人工智能应用软件开发;人工智能基础资源与技术平台;人工智能行业应用系统集成服务;人工智能理论与算法软件开发;人工智能硬件销售;集成电路芯片设计及服务;技术进出口;货物进出口;集成电路芯片及产品销售等。此前1

芯城品牌采购网

7039

美国当地时间12月6日,台积电宣布其美国亚利桑那州晶圆厂开始兴建第二期工程,预计于2026年开始生产3纳米制程技术,该厂目前兴建中的第一期工程预计于2024年开始生产N4制程技术,两期工程总投资金额约为400亿美元,台积电称,公司在亚利桑那州的投资从此前的120亿美元提高到400亿美元,是公司在海外最大的一笔投资,也是亚利桑那州迄今为止获得的最大一笔投资。除了一万多名协助兴建厂房的营建人员之外,台

芯城品牌采购网

8492

MOS管驱动电路有几种,看完就明白了-芯城品牌采购网

MOS管因为其导通内阻低,开关速度快,因此被广泛应用在开关电源上。而用好一个MOS管,其驱动电路的设计就很关键。下面分享几种常用的驱动电路。1、电源IC直接驱动电源IC直接驱动是最简单的驱动方式,应该注意几个参数以及这些参数的影响。①查看电源IC手册的最大驱动峰值电流,因为不同芯片,驱动能力很多时候是不一样的。②了解MOS管的寄生电容,如图C1、C2的值,这个寄生电容越小越好。如果C1、C2的值比

芯城品牌采购网

7522

交流耦合TIA拒绝明亮的环境光源-芯城品牌采购网

由于其简单性和低成本,绿色LED照明的心跳传感器现在几乎无处不在,在大多数消费者健康产品以及许多手机和手表中都能找到。但是,尽管它们具有所有优势,但我观察到它们经常受到环境因素的影响,这些因素会降低它们的准确性,在某些情况下,它们甚至根本无法进行测量。这些因素包括对手指放置的敏感性、LED光源与传感器之间距离的变化以及环境光侵入。这促使我考虑制造一个交流耦合跨阻放大器(TIA),它对明亮的环境光(

芯城品牌采购网

8832

据通富微电官微消息,11月30日,南通通富微电子有限公司三期工程封顶仪式在苏锡通园区通富微电厂区举行。通富微电三期工程总投资9.64亿元,位于苏锡通园区,此次三期工程一次性开工建设10万多平方米。项目采用集成电路封装、测试等具有自主知识产权的新技术、新工艺,建成后将形成年封装测试5G等新一代通信用集成电路产品2.8亿块的生产能力。资料显示,南通通富是通富微电集团在苏锡通园区布局的高端先进封装测试基

芯城品牌采购网

7325

图文并茂详解共模电感-芯城品牌采购网

差模电流:在一对差分信号线上,大小相同,方向相反的一对信号,一般是电路中的工作电流,对于信号线就是信号线与信号地线之间流动的电流。共模电流:在一对差分信号线上,大小相同,方向相同的一对信号(或噪音)。在电路中,一般对地噪音一般都是以共模电流的方式传输的,所以又称为共模噪声。抑制共模噪声的方法多种多样,除了从源头去减少共模噪声外,通常我们抑制最常用的方法就是使用共模电感来滤除共模噪声,也就是将共模噪

芯城品牌采购网

7898

A/D转换器所需的PCB布线策略-芯城品牌采购网

模数(A/D)转换器起源于模拟范例,其中物理硅的大部分是模拟。随着新的设计拓扑学发展,此范例演变为,在低速A/D转换器中数字占主要部分。尽管A/D转换器片内由模拟占主导转变为由数字占主导,PCB的布线准则却没有改变。当布线设计人员设计混合信号电路时,为实现有效布线,仍需要关键的布线知识。本文将以逐次逼近型A/D转换器和∑-△型A/D转换器为例,探讨A/D转换器所需的PCB布线策略。图1.12位CM

芯城品牌采购网

8950

开关电源噪声对策的几个步骤-芯城品牌采购网

从本文开始进入新篇章“噪声对策”。这里所说的“噪声对策”是指针对“开关电源”噪声的对策。不过基础部分和思路与一般噪声是相通的。新篇章的第1篇将介绍“噪声对策的步骤”。噪声对策和产品开发阶段在介绍噪声对策步骤之前,先来了解一下从产品的设计/开发到量产的过程中,应该在哪些阶段采取噪声对策。右图是相对于设计/开发、评估、量产的时间轴,采取噪声对策的灵活性(即可以采取的对策的选项多少)以及对策所需成本的示

芯城品牌采购网

8428

11月25日,英飞凌和台积电宣布,两家公司正准备将台积电的电阻式RAM(RRAM)非易失性存储器(NVM)技术引入英飞凌的下一代AURIX™微控制器(MCU),并将在台积电的28纳米节点上制造。自第一个发动机管理系统问世以来,嵌入式闪存微控制器一直是汽车电子控制单元(ECU)的主要构建块。目前,市场上大多数MCU系列都基于嵌入式闪存技术(eFlash)技术。而RRAM是嵌入式存储器的下一步,可以进

芯城品牌采购网

9443

芝奇DDR5-80002x16GB极速内存套装已上市开卖-芯城品牌采购网

2022年12月1日–世界知名超频内存及高端电竞设备领导品牌,芝奇国际荣幸宣布,已成功将日前展示的超高速DDR5-8000超频内存套装导入市售规格,并已陆续出货至全球各大经销商并完成上架,率先将DDR5市售规格带入8000MT/s的全新里程碑,此次上市推出的DDR5-8000CL38-48-48-1282x16GB极速规格套装,皆由严选的DDR5IC颗粒打造,并将加入芝奇TridentZ5RGB幻

芯城品牌采购网

9285

存储器的发展取决于应用场景的变化,当下智能化时代的迅速发展对存储器提出了更高的要求,新型存储器迅速成长。目前新型存储器阻变存储器(ResistiveRandomAccessMemory,ReRAM或RRAM)逐渐受到市场重视。近日,英飞凌官方消息称,其下一代Aurix微控制器将使用嵌入式非易失性存储器,特别是电阻式随机存取存储器(RRAM),而不是嵌入式闪存(eFlash),并将在台积电的28纳米

芯城品牌采购网

9038

据江都经济开发区消息,11月30日,百识电子项目签约仪式在扬州市江都区政府会议中心举行。百识电子项目由南京百识电子科技有限公司(以下简称“百识电子”)投资建设,总投资10亿元,生产第三代半导体外延片,产品主要用于5G基站、电动车、雷达、快速充电器等。项目计划分两期建设,一期投资约6亿元,建成达产后,预计年开票销售8.5亿元。资料显示,百识电子成立于2019年8月,专门生产碳化硅及氮化镓相关外延片,

芯城品牌采购网

7522

美国时间12月1日,全球第三大硅晶圆制造商环球晶圆(GlobalWafers)在美国德州谢尔曼市举行12英寸晶圆厂GlobalWafersAmerica动土典礼,这也是时隔20年后,美国迎来的首座硅晶圆厂。环球晶圆强调,美国德州新硅晶圆厂预计两年内可陆续完成新厂建造、设备安装、客户送样及量产。德州新硅晶圆厂占地58公顷,预计可为未来阶段式扩建提供充足的空间。根据此前的资料,环球晶圆新12英寸硅晶圆

芯城品牌采购网

8494

近日,辽宁省人民政府办公厅印发《辽宁省培育壮大集成电路装备产业集群若干措施》(以下简称“《措施》”),对集成电路产业给予奖励,以进一步加快推进辽宁省集成电路装备产业发展,培育壮大集成电路装备整机和关键零部件产业。其中,《措施》指出,要支持企业做大规模。对上年度营业收入首次突破1亿元、5亿元、10亿元、20亿元、30亿元、50亿元的企业,分别给予200万元、500万元、1000万元、2000万元、3

芯城品牌采购网

7465

STM32单片机的启动过程-芯城品牌采购网

分享这篇文章,谈一下STM32启动流程。如果读者朋友已经有过汇编相关基础,能够够好理解本文内容。汇编语言是比C语言更接近机器底层的编程语言,能让我们更好的理解和操纵硬件底层。STM32三种启动模式下好程序后,重启芯片时,SYSCLK的第4个上升沿,BOOT引脚的值将被锁存,这就是所谓的启动过程。STM32上电或者复位后,代码区始终从0x00000000开始,其实就是将存储空间的地址映射到0x000

芯城品牌采购网

7828

据常山发布消息,11月30日,浙江大和半导体产业园三期项目正式封顶。消息显示,浙江大和半导体产业园三期项目自今年7月21日开工奠基以来,历时仅四个多月就完成了工程封顶。该项目计划总投资约20亿元,由浙江盾源聚芯半导体科技有限公司高纯硅部件项目、浙江富乐德半导体材料科技有限公司氧化铝项目、浙江富乐德半导体材料科技有限公司CVD-SIC项目等三个子项目组成。据了解,项目计划明年5月竣工,全面投产后,第

芯城品牌采购网

6339

分频器产生的455kHz方波信号-芯城品牌采购网

这里的电路是我在开发RF系统时设计的带有不寻常分频器的振荡器。我需要使用尽可能少的组件的稳定且准确的455kHz数字信号发生器。信号发生器还必须具有或非常接近50%的占空比,以消除或小化二次谐波含量。我首先研究了基于455kHz陶瓷谐振器和455kHz陶瓷滤波器的振荡器。然而,在测试时,我获得了448kHz和462kHz的信号,这缺乏我需要的。但我手头有一个4.096MHz的石英晶体。通过使其以大

芯城品牌采购网

7472

基于MPC8245处理器和BCM56500芯片实现交换型路由器的设计-芯城品牌采购网

随着用户需求和网络技术的发展,高速率高端口密度的多层IP路由交换功能的应用已经越来越广泛了。由于实现三层以上路由功能的判据较为复杂,传统的路由器采用软件实现路由功能,由高性能的CPU同时实现控制平台和数据通道。自从三层交换的概念提出以来,主要的技术可以分为两类:路由型交换机和交换型路由器。路由型交换机通过各种技术来发现、建立和缓存路由捷径来实现路由加速功能。一般情况下路由型交换机不实现大型动态路由

芯城品牌采购网

8451

基于EPM7256AETC100-5实现CDMA2000BTS时钟同步的应用解决方案-芯城品牌采购网

1引言第三代移动通信体制(3G),能够提供从语音到数据的全方位业务[1,2]。CDMA2000的3G通信网络主要由核心网(CN),CDMA2000基站控制器(BSC)和基站收发系统(BTS)构成。一个BSC可以带若干基站,每个BTS可以带若干扇区载频,BTS通过Abis接口与BSC相连,BSC通过A1,A2,A5接口与移动交换中心(MSC)相连,而BSC与BSC之间采用A3、A7接口,BSC和BT

芯城品牌采购网

7900

基于NCL35076或NCL30076的高能效、高精度、高可靠性的可调光LED照明降压方案-芯城品牌采购网

本文主要介绍安森美(onsemi)的基于连续导通模式(CCM)DC-DC降压控制器的75W方案和基于NCL30076准谐振(QR)降压控制器的100W及240W方案。两款方案的典型应用是LED照明系统、模拟/PWM可调光LED驱动器,模拟调光范围宽,从1%到100%。安森美专有的LED电流计算技术和内部检测及反馈放大器的零输入电压偏移,在整个模拟调光范围内进行精确的稳流,稳流精度在满载时<±

芯城品牌采购网

7635

数字磁性霍尔效应传感器工作原理及应用领域分析-芯城品牌采购网

数字磁传感器是一种这样的设备,其中,由于存在外部磁场,输出开关会在ON和OFF状态之间切换。这种类型的基础上的物理原理的装置的霍尔效应,被广泛地用作接近,定位,速度和电流检测传感器。与机械开关不同,它们是一种持久的解决方案,因为它们没有机械磨损,即使在特别关键的环境条件下也可以工作。由于具有非接触式操作,无需维护,坚固耐用以及对振动,灰尘和液体具有免疫力等特性,数字磁传感器正变得越来越普遍,尤其是

芯城品牌采购网

6622

传闻AMD发涨价信,涨幅高达25%!-芯城品牌采购网

1、供应链称AMD已通知涨价11月22日,行业消息传出,AMD向经销商发出涨价函。来源:供应链从文件内容来看,AMD在通知中表示,由于供应链投资成本增加,供应商正在向AMD转嫁更高的价格水平。据AMD称,Xilinx系列产品价格将上涨8%,Spartan6系列产品价格将上涨25%,Versal系列产品价格保持不变。自2023年1月9日起,新订单、库存、积压订单和分销订单都将以上涨后的价格交易。2、

芯城品牌采购网

8457

ISP(图像信号处理)算法概述、工作原理、架构、处理流程-芯城品牌采购网

ISP是ImageSignalProcessor的简称,也就是图像信号处理器。DSP是DigitalSignalProcessor的缩写,也就是数字信号处理器。ISP一般用来处理ImageSensor(图像传感器)的输出数据,如做AEC(自动曝光控制)、AGC(自动增益控制)、AWB(自动白平衡)、色彩校正、LensShading、Gamma校正、祛除坏点、AutoBlackLevel、AutoW

芯城品牌采购网

7735